Skip to content
Fine Woodworking
Main Menu
Subscribe
GET THE MAGAZINE & MORE
Magazine Cover
  • Save 69% off the cover price
  • Or, get everything with UNLIMITED, including 40+ years of the online archive.
Subscribe Now!
Subscribe
  • Projects & Plans
  • How-To
  • Shop Tips
  • Tools & Materials
  • Videos
  • Magazine
  • Video Workshops
  • Members
  • Forum
  • Gallery
  • Blogs
  • More
    • Log In
    • Join
    Fine Woodworking Main Menu Subscribe

    Fine Woodworking Project Guides

    Tables and Desks

    Guide Home
    Chapter
    • Design and Techniques
    • Dining Tables
    • Side Tables
    • Coffee Tables and Hall Tables
    • Desks
    Member-Only

    Sign in or become a member to access this story

    Sign in

    Build an Arched Entry Table

    A twist on the Stickley style, Mike Pekovich's arched table features a dovetailed drawer box supported by a trestle base, tapered legs, and drawbored tenons.

    Author Headshot By Michael Pekovich #280-Jan/Feb 2020 Issue
    arched entry table

    Synopsis: A twist on the Stickley style, this arched table features a dovetailed drawer box supported by a trestle base. Drawbored tenons hold the base together, and arched rails and tapered legs add personality. Mike Pekovich simplifies construction by starting with base parts of the same dimensions, and then adjusting thicknesses and widths to create offsets after the joinery is complete.


    ‘I’d like an entry table in the Arts and Crafts style, but nothing I’ve seen before.” It was an interesting request from an interesting client—my brother, actually. Up to that time, I had built a number of mostly Stickley-inspired pieces, but hadn’t really pushed beyond that. This was an opportunity to try a more original design while staying true to the basic elements of the style. Since I knew the client, I didn’t face the nerves that typically accompany a commissioned piece. The table I came up with features…

    Sign up for eletters today and get the latest techniques and how-to from Fine Woodworking, plus special offers.

    Sign Up

    Start your 14-day FREE trial to continue reading this story.

    Plus, access more than 1,900 in-depth articles and more when you become a member.

    Start Your Free Trial Now

    Already a member? Log In

    Get woodworking tips, expert advice and special offers in your inbox

    Sign Up
    ×
    X
    X
    Previous: Elegant Entry Table Next: Hall Table with Flair

    Guide

    Tables and Desks

    Chapter

    Coffee Tables and Hall Tables

    Comments

    1. Damienol | Nov 27, 2019 09:57pm | #1

      It’s not clear to me how you align the arches to the pre cut tenons (p.35)

      Is there further detail available for this?

    2. waterhead | Nov 28, 2019 01:58am | #2

      In the picture where he is using a template to draw the arches, you can see that he has short vertical lines drawn up to the surface of the blank. Although I can't see them, I imagine there are matching marks on the template so it is simply a question of aligning the two sets of marks.

      At least that is how I would do it. :)

    3. Damienol | Nov 28, 2019 10:26pm | #3

      Thanks. I can see the vertical lines however I can’t determine what they are referenced against.

    4. DaveRichards | Nov 28, 2019 11:10pm | #4

      The tenon is centered on the height of the rail. The finished height is 1-1/2 in. and the tenon is 1-1/4 in. wide. It looks likes Mr. Pekovich uses a slightly wider template for the arches and then works the rail down to the final inch and a half.

    5. User avater
      jareed | Nov 29, 2019 01:07pm | #5

      Am I missing something, a taper is shown being cut on the legs, but the drawings don't show it. The photo maybe shows a slight taper at the top of the leg?

    6. DaveRichards | Nov 29, 2019 01:40pm | #6

      After final shaping there's only 1/16 in. difference between the top and bottom leg dimensions. It wouldn't be very obvious in the small drawing.

    7. sreilly24590 | Nov 30, 2019 11:36am | #7

      The pdf mentions digital plans yet I can't seem to find them anywhere. A search simply refers to this article. A link please.

    8. TboneTim | Nov 30, 2019 01:25pm | #8

      Sreilly: Seems we're both exploring this at the same time. I also can't find the digital plans, and would appreciate a link if such plans actually exist. This looks like a nice well-designed challenging project, and plans would help.

    9. waterhead | Nov 30, 2019 01:51pm | #9

      There's enough information to build it given in the article surely?

    10. sreilly24590 | Nov 30, 2019 02:21pm | #10

      Sometimes yes, and the other times it's plain hidden in the text. I've had a number of plan sets that needed detailed explanation but maybe that's me. I'd rather have something that can possibly giver further detail or backup what I'm seeing if it's available. For more experienced woodworkers the article may well be enough.

    11. TboneTim | Nov 30, 2019 02:31pm | #11

      For you, waterhead.

    12. DaveRichards | Nov 30, 2019 02:32pm | #12

      I know the digital plans exist and they should be available soon. It sometimes takes a little time for them to get packaged and listed in the Taunton Store. I expect when they are Ben will update the link. At least that's what I've seen Ben do in similar cases before.

    13. Lote | Dec 02, 2019 06:19am | #13

      I read the article in the print magazine and online. I don't see where the wood in the article pictures is identified. Looks like white oak, but could be chestnut???

    14. DaveRichards | Dec 02, 2019 07:41am | #14

      Looks like white oak but if you were going to build it, you could use whatever you want.

    15. Rusty_Tools | Dec 09, 2019 05:25pm | #15

      It looked like there would be enough information in the article but I too would like plans if I build it. I'm not surprised we can't find them. I couldn't get on the site for most of the past week.

    16. Rusty_Tools | Dec 09, 2019 05:28pm | #16

      Mike, did you use the ammonia fume method to finish this?

      1. User avater FWW Editor
        BenStrano | Dec 10, 2019 09:05am | #19

        Yes, Mike did fume this table.

    17. DaveRichards | Dec 09, 2019 05:46pm | #17

      Maybe this link will help.

      https://www.tauntonstore.com/project-plans/fine-woodworking-s-entry-table-plan.html

    18. DustinDawind | Dec 09, 2019 07:37pm | #18

      Why does FWW continue to feature work from their own staff who are not even full time designers or furniture makers?

      Surely you could tap the network of alumni from nearby woodworking programs like Connecticut Valley, RISD, NBSS, MassArt, and various schools in NY. Folks are doing interesting and approachable work in different styles.

      It seems like the same people and styles are always featured without any rationale except convenience.

      Please highlight different styles and new people.

    19. User avater
      PlaneandChisel | Jan 31, 2020 06:14pm | #20

      Beautiful table! With the subtle grain arch across the drawers it’s begging for the lower stretcher to be steam bent or saw from a piece with already curved grain rather than sawn. I think it would be a smoother flow for the arch.

    20. user-2994171 | Feb 17, 2020 11:58am | #21

      Very little info on attaching the top, just "pre-drill the screw holes for attaching ..". Where are the screw holes (not shown on diagram)? How do you screw from inside the rather shallow box?

    21. DaveRichards | Feb 17, 2020 12:34pm | #22

      It is shown in the digital plans.
      https://www.tauntonstore.com/fine-woodworking-s-entry-table-plan.html

      How do you screw from inside the rather shallow box?

      Stubby screwdriver?

    22. bndsley | Mar 04, 2020 09:45pm | #23

      So I'm new to FWW and have a question. Do any of these plans (digital or print magazine (not purchased)) come with a bill of materials or cut list. In looking over a few I've not found any with these.

      1. User avater FWW Editor
        BenStrano | Mar 05, 2020 08:16am | #24

        We generally don't do cut lists. Since most projects are built from rough-sawn solid stock, there is no way of actually doing a cut list because each board is different.

    23. ArlenG | Mar 19, 2020 09:34am | #25

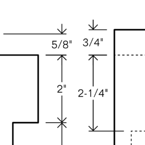
      I purchased the table plans and have been slavishly following the guide. However, page nine showing the top details has an error in the measure for fitting the breadboard to the top. I believe the tennon measure is reversed, should be 3/4" on the table top and 5/8" on the breadboard. I would appreciate a confirmation of my thoughts or correction. Thanks.

    24. DaveRichards | Mar 19, 2020 11:06am | #26

      Arlen, are you referring to these dimensions? If so, they are correct. The breadboard end is longer than the table top is wide. If you feel you need to change the width of the mortise or the tenon to compensate for seasonal movement in your area, you can certainly do so.

      -Dave

    25. cndshullaw | Mar 19, 2020 07:05pm | #27

      I purchased the plans and they are very detailed. You get a PDF and a sketchup file which I use. That'll give you a good cutlist but not a layout (because of rough stock). Purchase it, you won't be disappointed.

    26. user-6950886 | Apr 14, 2020 03:52am | #28

      Hi, Is there any way you can get these plans in The UK. I just get a message that due to privacy issues they cannot trade in the UK. Surely this is not correct??

      Thanks

      Mark

      1. User avater FWW Editor
        BenStrano | Apr 14, 2020 09:34am | #30

        You're right waterhead. The numbers don't lie. Not enough in sales to justify the overhaul that the EU required.

        Mark, if you call the number given, they can take your order over the phone.

    27. waterhead | Apr 14, 2020 06:01am | #29

      There are a few similar dozy businesses that haven't yet done whatever they need to do to sell into the EU and UK via online sales. Highland Hardware is another. It's disappointing for would-be customers, I presume our potential business is not thought to be enough to justify whatever efforts might be needed on FWW's part to overcome such hurdles as exist.

    28. user-6950886 | Apr 15, 2020 09:11am | #31

      Thanks

      Will do

      Mark

    29. User avater
      dfrangipane | Jan 07, 2021 06:34pm | #32

      I have to admit that I am not looking forward to gluing up the dovetailed case. The back and drawer dividers look like they are going to cause some fuss.

    Log in or become a member to post a comment.

    Sign up Log in

    Tables and Desks

    Tables and Desks

    Expert design and construction advice to help you build tables and desks that are comfortable, useful, and attractive.

    View Project Guide

    View All Project Guides »

    Become a member and get unlimited site access, including the Tables and Desks Project Guide.

    Start Free Trial

    Design and Techniques
    • Design
    • Tabletops
    • Legs and Stretchers
    Dining Tables
    • Tables with Aprons
    • Trestle Tables
    • Pedestal Tables
    • Expandable Tables
    Side Tables
    • Side Tables
    • Stands
    Coffee Tables and Hall Tables
    • Coffee Tables
    • Hall Tables
    Desks
    • Design
    • Techniques
    • Projects

    Get the latest from Fine Woodworking Magazine

    • #292-NOV/DEC 2021

      • Kerf-bent wall cabinet
      • Online extras from FWW issue #292
      • How to tame curved parts with patterns
    • #291-Sep/Oct 2021

      • Build a modern coffee table
      • Online Extras from FWW Issue #291
      • Editor's Letter: Something old, something new
    • #290-July/Aug 2021

      • Build a Shaker chest of drawers
      • Online Extras from FWW Issue #290
      • From the editor: What we make matters
    • #289-May/June 2021

      • Arts & Crafts Coffee Table with Story-Book Charm
      • Links from Fine Woodworking issue #289
      • Step-by-Step Guide to Tuning Your Block Plane
    • #288-Mar/Apr 2021

      • Phil Lowe: A craftsman and gentleman
      • Online Extras from FWW Issue #288
      • Phil Lowe: craftsman, teacher, friend

    UNLIMITED membership - Get access to it all

    Start Free Trial Upgrade Membership

    Fine WoodWorking

    Follow

    Newsletter

    Get woodworking tips, expert advice and special offers in your inbox

    Sign Up

    Membership & Magazine

    • Members
    • Digital Libraries
    • Join Unlimited
    • Magazine Subscription
    • Magazine Renewal
    • Gift a Subscription
    • Customer Support
    • Manage Preferences

    Taunton Network

    • Fine Homebuilding
    • Green Building Advisor
    • Fine Gardening
    • Threads
    • About
    • Contact
    • Advertise
    • Privacy Policy
    • Careers
    • Copyright
    • Terms of Use
    • Accessibility
    • California Privacy Rights
    • Site Map

    © 2021 The Taunton Press, Inc. All rights reserved.

    Get step-by-step instructions, woodworking tips, expert advice and special offers in your inbox. Sign Up Now!

      Main Menu

    • Projects and Plans
    • How-To
    • Shop Tips
    • Tools & Materials
    • Videos
    • Gallery
    • Magazine
    • Video Workshops
    • Members
    • Forum

      Popular Topics

    • Design
    • Small Projects
    • Beds
    • Chairs, Benches And Stools
    • Built-ins
    • Storage And Shelves
    • Cabinets
    • Carving
    • Casework
    • Desks
    • Tables
    • Shop Storage And Furniture
    • Woodturning Projects
    • Workbenches
    • Surface Prep

      More

    • TV
    • Forum
    • Blogs
    • Webinars
    • Podcasts
    • Customer Support

      Account

    • Log In
    • Join

      Magazine

    • Current Issue
    • Past Issues
    • Digital Libraries
    • Magazine Index
    • Subscribe

      Membership

    • Member Home
    • Start Free Trial
    • Gift Unlimited
    • Log In

      Shop the Store

    • Books
    • DVDs
    • Taunton Workshops

      Events

    • Fine Woodworking Live
    • Fine Woodworking HANDS ON

      Account

    • Log In
    • Sign Up

    Newsletter

    Get woodworking tips, offers, and expert advice in your inbox

    Sign Up

    Follow

    UNLIMITED

    Become an UNLIMITED member and get it all: searchable online archive of every issue, how-to videos, Complete Illustrated Guide to Woodworking digital series, print magazine, e-newsletter, and more.

    Start Your Free Trial

    Upgrade Membership